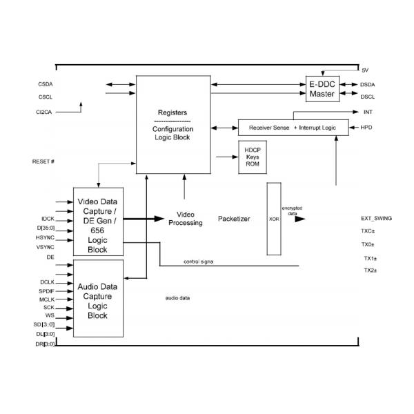
SiI9134 HDMI Deep Color Transmitter is a third-
Supports DVD and HD MPEG decoders
generation High Definition Multimedia Interface
24-bit, 30-bit, and 36-bit RGB/YCbCr 4:4:4 (Deep Color)
(HDMI®) transmitter that provides a simple method of
16-bit, 20-bit, and 24-bit YCbCr 4:2:2
sending protected digital audio and video that
8-bit, 10-bit, and 12-bit YCbCr 4:2:2 (ITU.601 and
provides end rs with a truly all-digital experience.
A/V receivers, along with Blu
ITU.656)
-ray Disc™ and HD
DVD players and recorders, can provide high quality
12-bit, 15-bit and 18-bit dual-edge clocking input modes
digital audio and video over a simple, low cost cable.
YCbCr-to-RGB color space conversion
The SiI9134 transmitter extends the
BTA-T1004 video input mat
family of HDMI transmitters by supporting 30-bit
Input clock divider or multiplier (input clock frequencies
and 36-bit Deep Color video, and incorporates a
of 0.5x, 2x, 4x).
flexible audio and video interface. It is software and
Programmable Data Enable generator and sync
pin-compatible with the SiI9034 transmitter.
extraction.
The transmitter perms the 10- or12-bit to 8-bit
conversion of the 10/12-bit Deep Color video input
data by increasing the TMDS™ clock frequency and
packing the extra bits into the next byte. An
Digital Audio Interface
225 MHz to support Deep Color and 1080p
integrated color-space converter allows direct
DTS HD and Dolby True HD high bit rate audio support
connection to all major MPEG decoders, including
A dedicated 4-pin Direct Stream Digital (DSD) 8-channel
those that provide an ITU.656 output.
input provides Super Audio CD (SACD) and decoded
Pre-programmed High Bandwidth Content Protection
(HDCP) keys provide the highest level of key
Dolby Digital applications
Four I2 S inputs with flexible channel mapping support
security; which simplifies manufacturing and lowers
cost.
High Bit-Rate audio and accept Dolby Digital and DVD
HDMI Output
Audio input (2-channel 192 kHz, 8-channel 192 kHz)
S/PDIF input supports PCM, Dolby Digital, and DTS
Supports Deep Color and High-Bitrate Audio
digital audio transmission (32–192 kHz sample rate)
IEC60958 or IEC61937 compatible
Supports all the mandatory and several optional
3D mats described in the HDMI 1.4
2:1 and 4:1 down-sampling handles 96 kHz and 192 kHz
Specification
audio streams
s the latest generation of TMDS core
, which operates from 25 MHz to
Control Capability 
Q1. What is your terms of packing?
A: Generally, we pack our goods in neutral white boxes and brown cartons.
If you have legally registered patent, we can pack the goods in your branded boxes after getting your authorization letters.
Q2. What is your MOQ?
A: We provide you small MOQ for each item, it depends your specific order!
Q3. Do you test or check all your goods before delivery?
A: Yes, we have 100% test and check all goods before delivery.
Q4: How do you make our business long-term and good relationship?
We keep good quality and competitive price to ensure our customers benefit ;
We respect every customer as our friend and we sincerely do business and make friends with them,It's not something that can be replaced.
Q5: How to contact us?
A: Send your inquiry details in the below,Click "Send"Now!!!
Shenzhen Hongxinwei Technology Co., Ltd
To adopt new technology,to produce products of quality,to offer high-class service.
Improve the management system continuously to meet customer requirement for high-quality products and services.
Why choose us?
- 100% new and originao with Advantage price
- High efficiency
- Fast Delivery
- Professional team service
- 10 Years Experience Electronic components
- Electronic components Agent
- Advantage logistic discount
- Excellent After-sales Service
Product Tags:
|
|
Lattice Semiconductor IGBT Module SII9134CTUHDMI Interface IC HDMI 1.3 Transmitter Images
|